安全法規測試是為了確保人們在使用電器產品時不受任何傷害而制定的。安全法規測試標準是電氣產品設計制造時必須遵守的標準文件。因此,我們在設計產品時需要遵守安全法規的規定,這樣設計的電器才能得到可靠的保證。電氣產品需要通過安全規定測試,以確保人身安全和環境不受自身干擾。電氣產品的設計和制造必須遵守執行標準文件,嚴格執行標準規定,確保電氣安全可靠。
下面是一些電器產品經常需要做的安全測試項目:
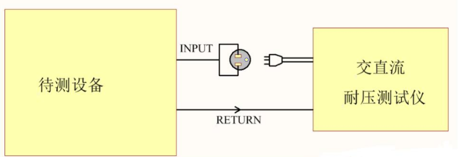
1.耐壓測試:
耐壓試驗的基本理論是將產品暴露在非常惡劣的電氣環境中。如果產品能在這種惡劣的環境中保持正常狀態,就可以確定在正常環境下工作時也能保持正常狀態。
不同的產品對應不同的耐壓試驗規格,但基本的耐壓試驗是在產品上增加高于正常工作的電壓,必須持續一段時間,一般為60秒。
一般來說,工作電壓是被測產品的兩倍,加上100伏特作為測試電壓標準。例如,如果電氣產品的工作電壓為220V,則加入機器的電壓應為2x220+1000=1440V,一般加1500V測試。

2.接觸電流測試:
接觸電流測試(又稱泄漏電流)是眾多安全規范測試之一,一般分為三種類型,即對地泄漏電流(Earthleagecurent)、對表面泄漏電流(Enclosure或Surfacelelecurent)和表面間泄漏電流(AppliedPart或SurfacetoSurfaceleleake)。
主要區別在于測試棒測量位置不同,地面泄漏電流通過電源線上的接地線流回地面,表面泄漏電流通過人體流回地面。
此外,表面間的泄漏電流或治療泄漏電流是任何應用對象之間或流向應用對象的泄漏電流,通常只有醫療儀器有這個測試的要求。

以上就是一些安全法規測試的相關介紹,如您有相關產品需要辦理檢測認證報告等,可以來電4000-1998-38咨詢我司工作人員,我們秉承科學嚴謹的工作態度,以客戶為中心,高效統籌安排測試計劃,竭力縮短測試時間的周期,為客戶提供快捷、公正的第三方咨詢檢測等服務。深圳訊科期待您的光臨!
相關主題:weee,質檢報告,FDA注冊,第三方質檢中心,rohs報告是檢測什么的,化妝品cpnp認證,3c強制認證目錄,en55011,cb認證是什么認證,烏干達pvoc證書
下一篇:第三方檢測報告什么情況下需要提供呢
- 歐盟發布新版玩具安全法規(EU)2025/2509
- 57項“新三樣”產業國標已發布
- 一批重要國家標準于2月1日起實施
- 隨機振動功率譜密度PSD選擇指南
- GB/T 34986-2017 B.4:駕馭“指數加速模型”的應力藝術——產品加速壽命試驗的核心設計
- 沖擊試驗測試——核心原理、實施流程與行業應用解析
- GJB 4.5-1983:艦船電子設備的“深海桑拿”考驗——恒定濕熱試驗的軍事級標準
- QC/T 1069-2023:車載充電機(OBC)的“路試”煉獄——振動耐久性測試深度解析
- UPS不間斷電源切換時間可靠性測試——基于GB/T 7260.3-2023標準解析
- 金屬材料洛氏硬度測試:條件、標準與全流程規范


